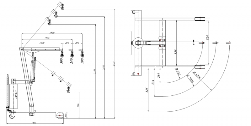
Żuraw ZHM z obrotowym ramieniem to uniwersalne i solidne urządzenie podnoszące, idealne do pracy w warsztacie, magazynie i na stanowiskach serwisowych. Zaprojektowany z myślą o bezpiecznym podnoszeniu ciężkich ładunków o masie do 300 kg oraz 500 kg, umożliwia precyzyjne ustawienie elementów na maszynach, półkach lub pojazdach. Konstrukcja wyposażona jest w ramię obrotowe, co ułatwia manewrowanie podnoszonym ładunkiem, oraz przeciwwagę, która zapewnia stabilność nawet przy dużych obciążeniach. Ergonomiczna pompa hydrauliczna pozwala na płynne podnoszenie i opuszczanie ramienia, a wysuwane ramie z kilkoma pozycjami zwiększa zakres zastosowań urządzenia. Idealny do zakładania i zdejmowania części, montażu, serwisu oraz manipulacji ciężkimi obiektami w trudno dostępnych miejscach.
Nasi eksperci pomogą Ci wybrać optymalne rozwiązanie dla Twojego magazynu. Oferujemy: